+7 (912)-751-33-24Заказать звонок
Заказать звонок

Оставьте Ваше сообщение и контактные данные и наши специалисты свяжутся с Вами в ближайшее рабочее время для решения Вашего вопроса.

Ваш телефон
Ваш телефон*
Ваше имя
Ваше имя

* - Поля, обязательные для заполнения

Сообщение отправлено
Ваше сообщение успешно отправлено. В ближайшее время с Вами свяжется наш специалист
Закрыть окно
arbatex@list.ru
Каталог товаров
Подписка на новости магазина

Подпишитесь на рассылку и получайте свежие новости и акции нашего магазина.

Описание товара:

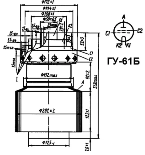
ГУ-61Б генераторный триод относится к разделу электровакуумных приборов и ламп различного назначения. По конструкции генераторный триод состоит из вакуумно-герметичной, жесткой оболочки, внутри которой отсутствует кислород.
43 000 руб. / шт Цена не является конечной и требует уточнения у менеджера.
В наличииВ наличии
Загрузка
Рассчитываем стоимость доставки
Пожалуйста подождите, рассчет займет немного времени

Описание товара

Описание ГУ-61Б


ГУ-61Б генераторный триод относится к разделу электровакуумных приборов и ламп различного назначения.  По конструкции генераторный триод состоит из вакуумно-герметичной, жесткой оболочки, внутри которой отсутствует кислород.

Параметры и характеристики ГУ-61Б:


ГУ-61Б

Генераторные тетроды ГУ-61Б для работы в качестве усилителя высокочастотных колебаний в режиме однополосного усиления на частотах до 70 МГц.


Оформление - металлокерамическое.

Рабочее положение - вертикальное, анодом вниз.

Охлаждение - принудительное:

   - анода - воздушное не менее 1250 м3/ч

   - ножки - воздушное не менее 200 м3/ч

Масса: 17 кг.


Основные технические параметры ГУ-61Б:
при uн=8,3  В, uа=2 кВ, uс2=1,25 кВ, iа=5  А
Ток накала

130 ± 12 А

Ток анода (при ua=uc2=1,5 кВ, uс1=0)

не менее 10 А

Ток 2-й сетки (при uс2=1 кВ)

не более 0,7 А

Ток 1-й сетки обратный (при uа=6 кВ, uс2=1,5 кВ)

не более 150 мкА

Ток эмиссии катода (при uа=0,35 кВ)

не менее 22 А

Крутизна характеристики

74  ± 11 мА/В 

Коэффициент усиления 1-й сетки относительно 2-й сетки

8 ± 1

Запирающее напряжение 1-й сетки, отрицательное

не более 330 В

Выходная мощность на частоте 70 МГц (при uа=10 кВ)

не менее 30 кВт

Долговечность

не менее 1000 ч


Предельные эксплуатационные характеристики ГУ-61Б:
Напряжение накала  

7,9 - 8,7 В

Напряжение анода

10 кВ

Напряжение 2-й сетки

1,5 кВ

Ток накала пусковой

190 А

Мощность, рассеиваемая анодом ГУ-61А, ГУ-61П

30 кВт

Мощность, рассеиваемая анодом ГУ-61Б

20 кВт

Мощность, рассеиваемая 2-й сеткой

0,7 кВт

Мощность, рассеиваемая 1-й сеткой

0,3 кВт

Рабочая частота

70 МГц

Температура спаев керамики с металлом и ножки

150 С

Интервал рабочих температур окружающей среды ГУ-61Б

от -60 до +70 С 


Добавить отзыв
Ваша оценка:
Отправить отзыв

Похожие товары (8)

43 000 руб. / шт Цена не является конечной и требует уточнения у менеджера.
В наличииВ наличии
ГУ-61Б генераторный триод
Задать вопрос

Ваше имя*
Контактный телефон*
E-mail
Вопрос*

* - Поля, обязательные для заполнения

Сообщение отправлено
Ваше сообщение успешно отправлено. В ближайшее время с Вами свяжется наш специалист
Закрыть окно
Купить в один клик
Заполните данные для заказа
Запросить стоимость товара
Заполните данные для запроса цены
Запросить цену Запросить цену