+7 (912)-751-33-24Заказать звонок
Заказать звонок

Оставьте Ваше сообщение и контактные данные и наши специалисты свяжутся с Вами в ближайшее рабочее время для решения Вашего вопроса.

Ваш телефон
Ваш телефон*
Ваше имя
Ваше имя

* - Поля, обязательные для заполнения

Сообщение отправлено
Ваше сообщение успешно отправлено. В ближайшее время с Вами свяжется наш специалист
Закрыть окно
arbatex@list.ru
Каталог товаров
Подписка на новости магазина

Подпишитесь на рассылку и получайте свежие новости и акции нашего магазина.

Описание товара:

Контактные сельсины НД-1204 выполнены в соответствии с асинхронными электродвигателями с ротором небольшой мощности. Статор сельсина НД-1204 не явнополюсной, обмотки— распределенные.
Характеристики:
Напряжение, В
110±5,5
1 960 руб. / шт Цена не является конечной и требует уточнения у менеджера.
В наличииВ наличии
Загрузка
Рассчитываем стоимость доставки
Пожалуйста подождите, рассчет займет немного времени

Описание товара

Описание сельсина НД-1204:

Контактные сельсины НД-1204  выполнены в соответствии с асинхронными электродвигателями с ротором небольшой мощности. Статор сельсина НД-1204 не явнополюсной, обмотки— распределенные.
Обмотка возбуждения находится на роторе, подключение тока осуществляется через пару контактных колец. Основным недостатком контактных сельсинов являются контактные кольца.

Сельсин НД-1204 относится к группе контактных сельсинов (работают со скользящими контактами). Такой принцип работы уменьшает срок службы этих сельсинов.
Сельсин НД-1204 работает от напряжения 110В.
При подаче напряжения на контактный сельсин, происходит вращение вала. Эти сельсины имеют три обмотки синхронизации и одинаковую обмотку возбуждения.
Контактные сельсины НД-1204 имеют также меньший вес, в отличии от безконтактных сельсинов, так как у них меньшие воздушные зазоры.
Место расположение обмоток на сельсинах НД-1204 не влияет на их принцип работы, однако самым распространенным является расположение обмотки на роторе.

Технические характеристики контактного сельсина НД-1204

Наименование типа Основные технические характеристики Масса,
кг
Технические условия
Частота,
Гц
Потребляемый ток,
А
Напряжение,
В
Потребляемая мощность,
Вт
НД-1204 400±12/
500±15
0,35/0,28 110±5,5 6,5/5,0 0,39 КЭ0.005.582ТУ
НД-1214 400±12/
500±15
0,58/0,44 110±5,5 8,5/7,0 0,52 КЭ0.005.582ТУ
НД-1404 50±1,5 0,33 110±5,5 11 0,85 КЭ0.005.554ТУ
НД-1404А 50±1,5 0,55 55±2,75 8 0,85 КЭ3.151.035ТУ
НД-1404П 400±12/
500±15
1,3/0,9 110±5,5 16,0/12,0 0,85 КЭ0.005.582ТУ
НД-1414 50±1,5 0,41 110±5,5 11 1,27 КЭ0.005.595ТУ
НД-1414Б 50±1,5 0,5 110±5,5 12 1,27 КЭ0.005.554ТУ
НД-1501 50±1,5 0,7 110±5,5 13 3 КЭ0.005.554ТУ
НД-1501Б 50±1,5 0,7 110±5,5 13 3 КЭ0.005.554ТУ
НД-1511 50±1,5 1 110±5,5 15 3,7 КЭ0.005.595ТУ
НД-1521 50±1,5 1,3 110±5,5 22 5,2 КЭ0.005.554ТУ
НС-1404 50±1,5 0,33 110±5,5 11 0,85 КЭ0.005.554ТУ
НС-1501 50±1,5 0,75 110±5,5 15 3 КЭ0.005.554ТУ
ЭД-1204 400±12/
500±15
0,43/0,35 100±5  - 0,46 КЭ0.005.582ТУ
ДИ-150 500±15 0,33 110±5,5 4,4 0,28 Э6.750.006ТУ
ДИ-150ТВ 500±15 0,33 110±5,5 4,4 0,28 КЭ0.005.094ТУ
ДИ-423 500±15 0,5 110±5,5 22 1,2 Э0.002.024ТУ
ДИ-423ТВ 500±15 0,5 110±5,5 22 1,2 КЭ0.005.094ТУ
ДИ-425 50±1,5 1 55±2 18 1,2 Э0.002.024ТУ
ДИ-454 500±15 0,315 220±11 11 0,8 Э6.750.006ТУ
ДИД-505 50±1,5 0,3 58±2 2,5 2,65 Э0.002.024ТУ
ДИД-505ТВ 50±1,5 0,3 58±2 2,5 2,65 КЭ0.005.094ТУ
ДИД-1101 50±1,5 0,15 50±2  - 0,85 КЭ0.005.554ТУ
ДИД-1101П 400±12/
500±15
0,13/0,11 100±5  - 0,85 КЭ0.005.582ТУ
ДИД-1204 400±12 0,15 100±5   0,46 КЭ0.005.595ТУ
СС-150 500±15 0,19 110±5,5 2,8 0,19 Э6.750.006ТУ
СС-150ТВ 500±15 0,19 110±5,5 2,8 0,19 КЭ0.005.094ТУ
СС-405 50±1,5 0,13 110±5,5 7,5 0,8 Э0.002.024ТУ
СС-405ТВ 50±1,5 0,13 110±5,5 7,5 0,8 КЭ0.005.094ТУ
СС-454 500±15 0,315 220±11 11 0,8 Э6.750.006ТУ
НЭД-1101 50±1,5  - 49±2  - 0,85 КЭ0.005.554ТУ
НЭД-1101П 400±12/
500±15
0,53/0,43 100±5  - 0,88 КЭ0.005.582ТУ
НЭД-1101Б 50±1,5  - 150±6  - 0,85 КЭ0.005.554ТУ
НЭД-1501 50±1,5/
60±1,8
 - 58±2 3 КЭ0.005.554ТУ
НЭД-501Б 50  - 150  - 2,8 Э0.002.027ТУ
ДН-500 50±2,5 0,6

127

+6
-13
12 3 К0.067.012ТУ
ДН-500ТВ 50±2,5 0,6

127

+6
-13
12 3 КЭ0.005.094ТУ

Контактный сельсин НД-1204 (НД1204, НД 1204)

Параметры контактного сельсина НД-1204:

Режим работы - индикаторный;

Назначение сельсина НД-1204 - датчик;

Напряжение питания - 110В±5,5В;

Частота питающей сети - 400Гц±12Гц и 500Гц±15Гц;

Потребляемая мощь, не более - 6,5Вт и 5Вт;

Максимальное напряжение синхронизации НД-1204 - 100В±4В;

Потребляемый ток, не более - 0,35А и 0,28А;

Асимметрия нулевых точек сельсинов датчиков:

- 1 класс точности не более - от 0º до ±0,25º;

- 2 класс точности не более - свыше ±0,25º до ±0,5º;

Диапазон рабочих температур - от -60ºС до +85ºС;

Верхнее значение относительной влажности воздуха при 40ºС - 98%;

Масса прибора сельсин НД-1204, не более - 0,39кг;

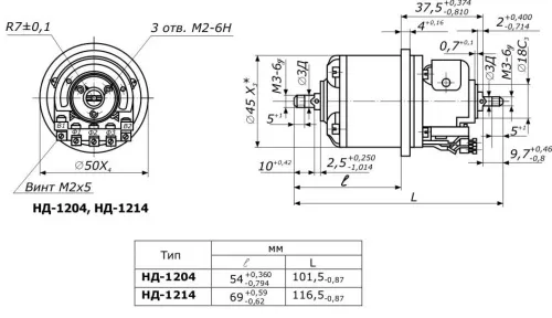
Габаритные размеры:

- длина - 101,5мм;

- диаметр - 50мм;

Общий гарантийный строк хранения и эксплуатации прибора контактные сельсины НД-1204 - 6,5 лет.

Вар-ты поиска: НД-1204, НД1204, сельсин НД-1204, НД*1204, НД/1204, сельсин НД1204, сельсин НД-1204, сельсин НД-1204 кл.1, сельсин НД1204 кл.1, сельсин НД-1204 кл.2, НД1204 двигатель, НД-1204 класс 1, НД1204 класс 1, НД1204 класс 2, НД-1204 класс 2, НД-1204 паспорт

Характеристики

Прочие
Напряжение, В 110±5,5
Добавить отзыв
Ваша оценка:
Отправить отзыв

Похожие товары (8)

1 960 руб. / шт Цена не является конечной и требует уточнения у менеджера.
В наличииВ наличии
НД-1204 сельсин
Задать вопрос

Ваше имя*
Контактный телефон*
E-mail
Вопрос*

* - Поля, обязательные для заполнения

Сообщение отправлено
Ваше сообщение успешно отправлено. В ближайшее время с Вами свяжется наш специалист
Закрыть окно
Купить в один клик
Заполните данные для заказа
Запросить стоимость товара
Заполните данные для запроса цены
Запросить цену Запросить цену